证券之星消息,根据天眼查APP数据显示纳科诺尔(832522)新获得一项实用新型专利授权,专利名为“一种紧凑型万向伸缩一体式联轴器”,专利申请号为CN202421209483.1,授权日为2024年12月24日。

图片来源于网络,如有侵权,请联系删除
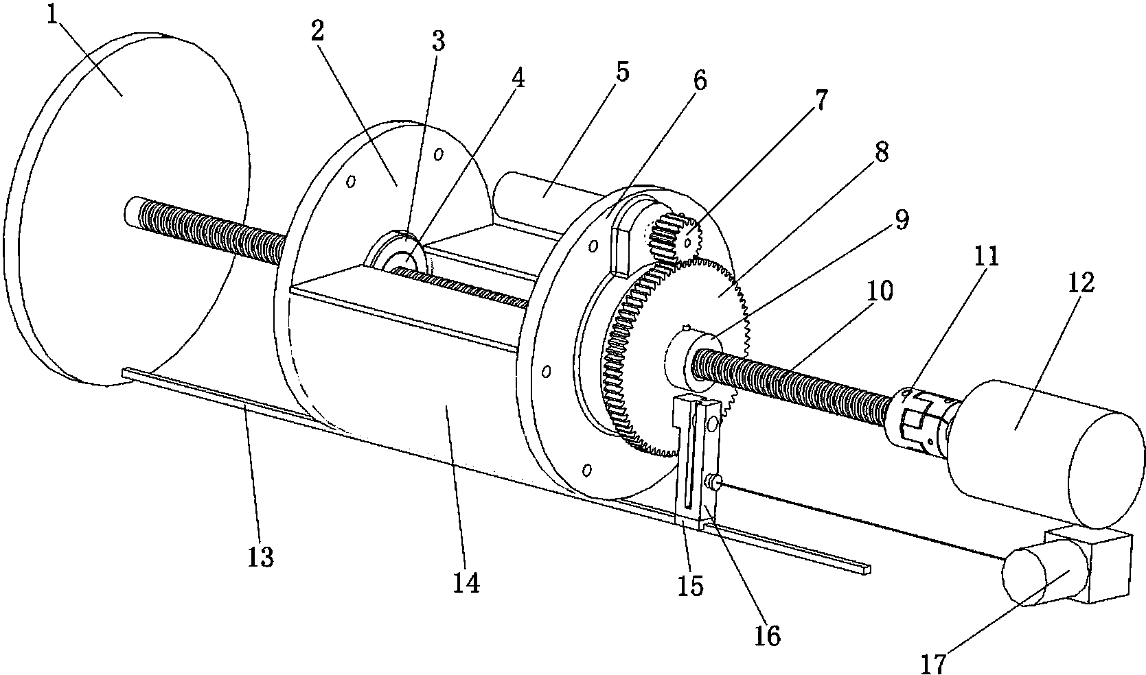
专利摘要:本实用新型公开了一种紧凑型万向伸缩一体式联轴器,属于电池极片生产技术领域;其包括外套筒、内套筒、主动十字结构、从动十字滑块、轴向伸缩花键轴和轴向输出花键套;主动十字结构和内套筒均位于外套筒中,且主动十字结构与外套筒轴承连接;内套筒在外套筒中具有轴向滑动的自由度;所述轴向输出花键套位于内套筒中且两者之间具有活动间隙,其内端设有与其轴承连接的从动十字结构;所述轴向伸缩花键轴的一端插接在主动十字结构的内环上,另一端与从动十字结构的内环连接。本实用新型能够补偿竖直方向、水平方向及轴向位移。

图片来源于网络,如有侵权,请联系删除
今年以来纳科诺尔新获得专利授权24个,较去年同期减少了36.84%。结合公司2024年中报财务数据,今年上半年公司在研发方面投入了427.03万元,同比减64.13%。

图片来源于网络,如有侵权,请联系删除
数据来源:天眼查APP
以上内容为证券之星据公开信息整理,由智能算法生成,不构成投资建议。