证券之星消息,根据天眼查APP数据显示圣邦股份(300661)新获得一项发明专利授权,专利名为“功率变换器及其控制方法”,专利申请号为CN202011575712.8,授权日为2025年1月3日。

图片来源于网络,如有侵权,请联系删除
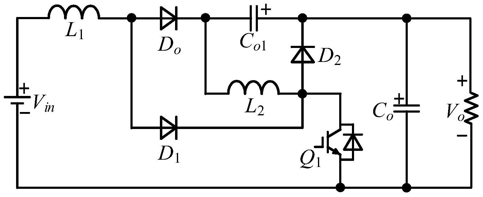
专利摘要:本发明涉及集成电路技术领域,提供了一种功率变换器及其控制方法,该功率变换器包括功率开关管和电感,以及控制电路,且该功率开关管至少包括:连接于前述电感与该功率变换器输出端之间的第一功率开关管、并联连接在该第一功率开关管两端的第二功率开关管,以及位于前述电感和该第一功率开关管的连接节点与地之间的第三功率开关管,其中,该功率变换器工作于负半周期,在输出电流减小至零前,该控制电路根据对该功率变换器的输出采样生成的控制信号和对开关控制信号的逻辑控制生成的占空比调节信号,控制连接在前述连接节点与该功率变换器输出端之间的功率开关管的通断状态。由此可提高输出功率的检测精度,提高该功率变换器的效率。

图片来源于网络,如有侵权,请联系删除
今年以来圣邦股份新获得专利授权7个。结合公司2024年中报财务数据,2024上半年公司在研发方面投入了4.18亿元,同比增19.63%。
数据来源:天眼查APP
以上内容为证券之星据公开信息整理,由智能算法生成(网信算备310104345710301240019号),不构成投资建议。